異種素材

特殊材・異種材のダイカストなら
ADC12では届かない品質を実現します
Achieving quality beyond the reach of ADC12 through Special and Dissimilar Material Die Casting.
ADC12の標準特性では達成が難しい 高強度・耐熱性・耐食性・寸法安定性 を求める案件に対し、エスワイ精機は豊富な異種材ダイカストの実績を活かし、最適な材料選定と成形プロセスを設計します。
材料特性と金型レイアウト、鋳造条件の整合性を高精度でコントロールし、安定した流動性・充填性・凝固特性を確保。量産安定性と高品質を両立することで、ADC12以外でも“使える品質”を保証します。
For applications requiring high strength, heat resistance, corrosion resistance, or dimensional stability—properties that are difficult to achieve with standard ADC12—ESUWAi Seiki leverages its extensive experience in casting alternative alloys to design the optimal material selection and molding process.
We precisely control the compatibility between material characteristics, mold layout, and casting conditions to ensure stable flow, filling, and solidification behavior. By balancing mass-production stability with high quality, we guarantee reliable, application-ready performance even with non-ADC12 materials.
国内でのアルミDC合金 使用割合
当社でのアルミDC合金 使用割合
ADC1
ADC1
SILAFONT-36
SILAFONT-36
NA3
NA3
HD4(ADC6相当)
HD4(ADC6相当)
HT1
HT1
ADC6
ADC6
MC15(ADC14相当)
MC15(ADC14相当)
ADC6
ADC6

スプレーノズル

重さは、従来の1/3。常識を覆す
「羽」のような軽さと「鋼」の強靭さ
軽量オールアルミ製スプレーノズル
もう、重たいノズルにバッテリーを浪費させない。 エスワイ精機の特許技術が、アルミニウムの常識を変えました。 驚異的な「軽量化」と、農薬に負けない「耐食性」の両立。

「アルミは軽いけれど、摩耗や腐食に弱い」 そんな常識は、過去のものになりました。私たちは精密加工技術と独自の表面処理特許により、真鍮やステンレスに匹敵する耐久性を持ちながら、圧倒的に軽量なアルミニウム製ノズルの開発に成功しました。メイド・イン・ジャパンの精密技術が、次世代のスマート農業を足元から支えます。

(1)アルミ製スプレーノズル(2)アルミダイカスト製カセットプレート(3)アルミ製カセットプレート(4)SHMBT50ミキシングブロック(5)SHMBT60ミキシングブロック(6)ブロック式カセット(7)各メーカー向カセットプレート
世界基準の軽量化
真鍮製比で約1/3の重量。機体の負担を最小限に抑えます。
特許技術の耐久性
独自の表面改質技術により、アルミの弱点である耐食性・耐摩耗性を克服。
精密な噴霧性能
高度な切削技術により、均一でロスのない散布を実現。
簡単にリサイクル
使えなくなったり、壊れたものは、そのまま溶解炉へ。
組立から取付まで簡単ラクラク! 軽くてバツグンの作業性
1部品の用意
2カンタン組立
3完成へ
4マシンに取付
各種アルミ製スプレーノズル
① SH-6A Φ6 内5六角 1/8PT
② SN-6A Φ6 外10六角 1/8PT
③ SF-6A Φ6 外12六角 1/8PT
④ SN-8A Φ8 外14六角 1/4PT
⑤ SH-8A Φ8 内6六角 1/4PT
⑥ SN-8A Φ8 外10六角 1/4PT
⑦ SN-6AT Φ6 外12六角 1/8PS
⑧ SN-10A Φ10 外17六角 3/8PT
⑨ SN-6A Φ6 外14六角 1/4PF
⑮ SH-8AB Φ8 内5六角 1/8PT
その他のサイズ取り揃えてあります。
銅ノズルもあります。

高効率冷却

高効率冷却でダイカストのサイクル
短縮と品質向上を実現する
エスワイ精機は、金型内部に銅チューブ冷却を組み込む独自の冷却技術により、冷却効率を高め、製品品質の安定化とサイクルタイムの大幅短縮を実現します。
エスワイ精機の「銅チューブ冷却」は、金型スリーブ内部に銅製冷却パイプを挿入して配置することで、鋳造時の熱を効率的に除去し、冷却バランスを最適化する技術です。
この冷却方式により、1.5mm肉厚の製品でも安定した凝固 湯口付き重量900gクラスでサイクルを約2秒短縮(7秒 → 5秒)、350tクラスの鋳造機で量産レベルの品質維持が可能となります。
金型スリーブ内の冷却穴に精密に銅チューブを挿入する設計により、冷却経路の最適化と強固な固定を両立し、安定した成形条件を確保します。
エスワイ精機の冷却技術は、サイクル短縮だけでなく、製品の寸法安定性・外観品質向上にも貢献し、高精度ダイカストの生産性を飛躍的に高めるソリューションです。
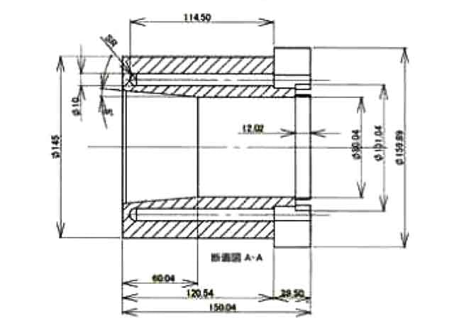
固定型・背面
金型スリーブ/銅チューブ冷却挿入状態
金型スリーブ/冷却穴 断面写真/銅チューブ挿入イメージ
金型スリーブ/冷却穴 断面図

冷却技術

鋳造スリーブの温度バランスを整え
品質と生産性を守る冷却
【用途】
鋳造機ツバ付きプッシュ内部に銅製冷却管を挿入することにより間接的にスリーブを冷却する
【現状】
アルミ溶湯が注がれた時、スリーブの底部と上部で温度バランスが崩れ、
 ・スリーブ内径の真円度が崩れてチップに異常な摩耗を生じる
 ・射出スピードにバラツキが生じ、製品品質に悪影響を及ぽす
【提案】
スリーブに冷却水を遼すことにより、現状の問題点の解決に繋がる
鋳造機に設置した状態
ツバ付きブッシュ(銅チューブ冷却管付}
zu
【仕様】
135t ~2250t採用できます。冷却管の種類は、(Y31) SE-S カタログご確認ください。

TOP